
I版高電壓場效應管 FIR7N60BPG-I TO-251 N溝道功率MOSFET
FIR7N60BPG-I的極限值:
| 參數 | 符號 | 數值 | 單位 | |
| 漏極-源極電壓 | VDS | 600 | V | |
| 柵極-源極電壓 | VGS | ±30 | V | |
| 漏極電流-連續(xù) | TC=25℃ | ID | 7.0 | A |
| TC=100℃ | 4.0 | |||
| 極電流-脈沖 | IDM | 28 | A | |
| 功耗 | PD | 45 | W | |
| 單脈沖雪崩能量 | EAS | 489 | mJ | |
| 工作結溫范圍 | TJ | -55~+150 | ℃ | |
| 存儲溫度范圍 | Tstg | -55~+150 | ||
FIR7N60BPG-I的熱阻:
| 參數 | 符號 | 數值 | 單位 |
| 結到管殼的熱阻 | RθJC | 2.77 | ℃/W |
| 結到環(huán)境的熱阻 | RθJA | 110 |
FIR7N60BPG-I的電特性:
| 參數 | 符號 | 測試條件 | 最小值 | 典型值 | 最大值 | 單位 |
| 漏極-源極擊穿電壓 | BVSS | 600 | V | |||
| 零柵壓漏極電流 | IDSS | 25℃,VDS=600V,VGS=0V | 1 | uA | ||
| 125℃,VDS=600V,VGS=0V | 50 | |||||
| 150℃,VDS=600V,VGS=0V | 100 | |||||
| 柵極漏電流 | IGSS | VGS=±30V,VDS=0V | ±100 | nA | ||
| 柵極開啟電壓 | VGS(th) | VGS=VDS,ID=250μA | 2.5 | 3.0 | V | |
| 靜態(tài)漏源導通電阻 | RDS(ON) | VGS=10V,ID=3.5A | 1 | 1.4 | Ω | |
| 輸入電容 | Ciss | VDS=25V,VGS=0V,f=1.0MHz | 885 | pF | ||
| 輸出電容 | Coss | 104 | ||||
| 反向傳輸電容 | Crss | 3.8 | ||||
| 開啟延遲時間 | td(on) | VDD=300V,ID=7.0A,RG=25Ω | 27.33 | ns | ||
| 開啟上升時間 | tr | 58.40 | ||||
| 關斷延遲時間 | td(off) | 42.13 | ||||
| 開啟下降時間 | tf | 31.20 | ||||
| 柵源電荷密度 | Qgs | VDS=480V,ID=7.0A,VGS=10V | 5.08 | nC | ||
| 柵漏電和密度 | Qgd | 4.95 |
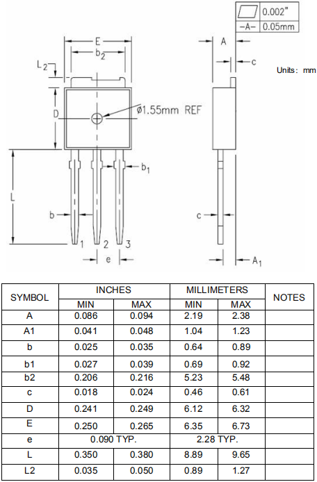
FIR7N60BPG-I的封裝外形尺寸:
