
中低壓國產MOS管 20G04 PDFN3X3-8L 貼片場效應管20G04 40VMOSFET
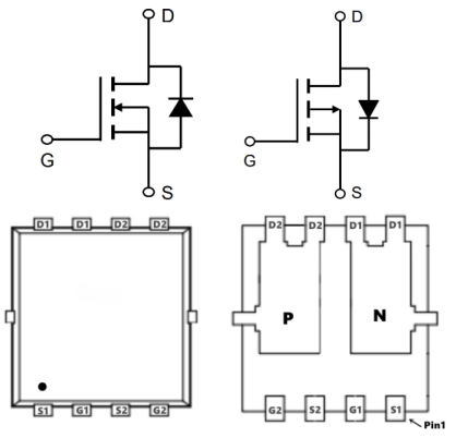
中低壓國產MOS管 20G04的引腳圖:

中低壓國產MOS管 20G04的參數特點:
1、N-CH:
VDS=40V
ID=23A
RDS(ON)<18mΩ@VGS=10V
2、P-CH:
VDS=-40V
ID=-20A
RDS(ON)<32mΩ@VGS=-10V
中低壓國產MOS管 20G04的極限值:
(如無特殊說明,TC=25℃)
| 符號 | 參數 | 數值 | 單位 | |
| N-CH | P-CH | |||
| VDS | 漏極-源極電壓 | 40 | -40 | V |
| VGS | 柵極-源極電壓 | ±25 | ±25 | |
| ID | 漏極電流-連續(xù) (TC=25℃) | 23 | -20 | A |
| 漏極電流-連續(xù) (TC=100℃) | 18 | -16 | ||
| IDM | 漏極電流-脈沖 | 46 | -40 | |
| EAS | 單脈沖雪崩能量 | 28 | 66 | mJ |
| IAS | 單脈沖雪崩電流 | 17.8 | -27.2 | A |
| PD | 總耗散功率 (TC=25℃) | 25 | 31.3 | W |
| RθJA | 結到環(huán)境的熱阻 | 25 | 25 | ℃/W |
| RθJC | 結到管殼的熱阻 | 5 | 5 | |
| TSTG | 存儲溫度 | -55~150 | -55~150 | ℃ |
| TJ | 工作結溫 | -55~150 | -55~150 | |
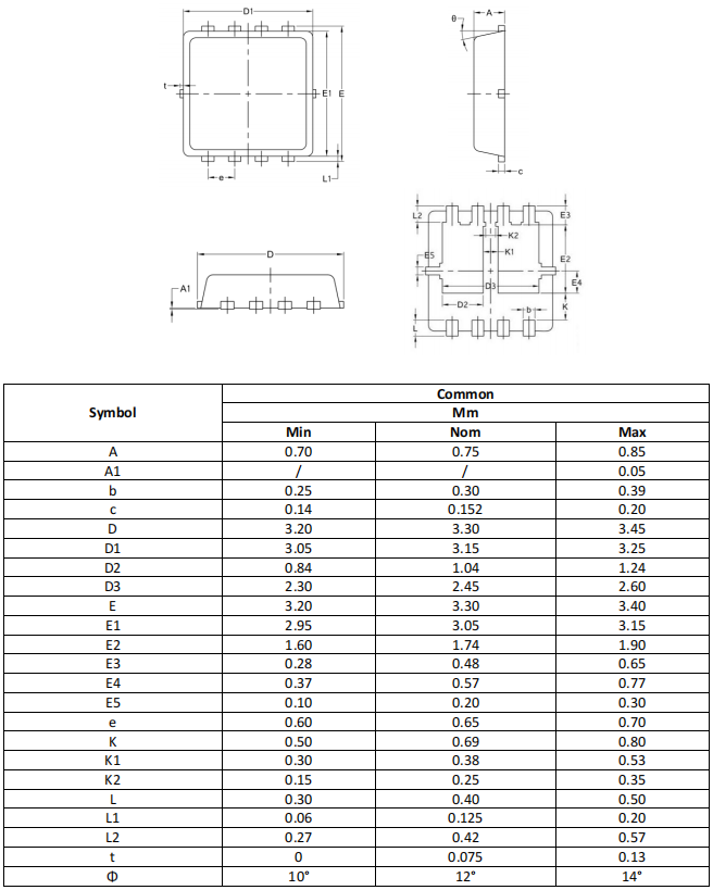
中低壓國產MOS管 20G04的封裝外形尺寸圖:
