
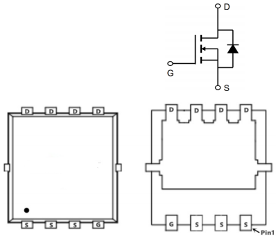
低壓NMOS 國產場效應管 20N02 場效應管封裝絲印
國產場效應管 20N02的引腳配置圖:

國產場效應管 20N02的特點:
VDS=20V
ID=20A
RDS(ON)<8mΩ@VGS=10V
封裝:PDFN3X3-8L
國產場效應管 20N02的應用領域:
電池保護
負載開關
不間斷電源
國產場效應管 20N02的極限參數:
(如無特殊要求,TC=25℃)
| 符號 | 參數 | 數值 | 單位 |
| VDSS | 漏極-源極電壓 | 20 | V |
| VGSS | 柵極-源極電壓 | ±12 | |
| ID | 漏極電流-連續(xù) TC=25℃ | 20 | A |
| 漏極電流-連續(xù) TC=100℃ | 15 | ||
| IDM | 漏極電流-脈沖 | 60 | |
| PD | 總耗散功率 TC=25℃ | 31 | W |
| EAS | 單脈沖雪崩能量 | 36 | mJ |
| TSTG | 存儲溫度 | -55~+175 | ℃ |
| TJ | 工作結溫 | -55~+175 | |
| RθJC | 結到管殼的熱阻 | 4.84 | ℃/W |
國產場效應管 20N02的電特性:
(如無特殊要求,TJ=25℃)
| 符號 | 參數 | MIN值 | TYP值 | MAX值 | 單位 |
| V(BR)DSS | 漏極-源極擊穿電壓 | 20 | 22 | V | |
| RDS(ON) | 靜態(tài)漏源導通電阻 VGS=4.5V,ID=25A | 6.1 | 8 | mΩ | |
靜態(tài)漏源導通電阻 VGS=2.5V,ID=10A | 8.8 | 13 | |||
| VGS(th) | 柵極開啟電壓 | 0.4 | 0.7 | 1.1 | V |
| IDSS | 零柵壓漏極電流 VDS=20V,VGS=0V | 1 | uA | ||
| IGSS | 柵極漏電流 | ±100 | nA | ||
| Qg | 柵極電荷 | 19 | nC | ||
| Qgs | 柵源電荷密度 | 3 | |||
| Qgd | 柵漏電荷密度 | 6.4 | |||
| Ciss | 輸入電容 | 1458 | pF | ||
| Coss | 輸出電容 | 238 | |||
| Crss | 反向傳輸電容 | 212 | |||
| td(on) | 開啟延遲時間 | 10 | ns | ||
| tr | 開啟上升時間 | 21 | |||
| td(off) | 關斷延遲時間 | 39 | |||
| tf | 開啟下降時間 | 19 |